AL-SSPMID stredová svorka upevnenie panela






  • Obrázok sa nemusí vzdy zhodovat presne s výrobkom, napr. nová rada, vývoj.








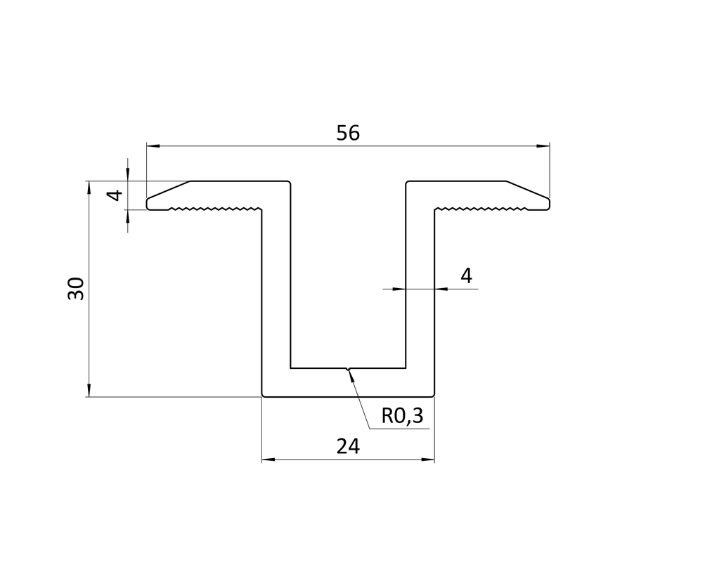
Popis produktu Hliníková stredová svorka pre pripevnenie mono a polykryštalických fotovoltaických (solárnych) panelov na šikmé a ploché strechy ako aj samostatne stojace systémy. Vyrobené z hliníkovej zliatiny 6063,T6. Montážny otvor M8. Pre spojenie solárnych panelov medzi sebou odporúčame použiť stredovu svorku AL-SSPMID. Na uchytenie svoriek do profilu AL-SP40 su vhodné nerezové imbusové skrutky E1-9M8x20 alebo E1-9M8x25 v kombinácii s nerezovou maticou E1-DIN557M8.

Hodnotenia



Návod:

Technická podpora:
Na výrobok poskytujeme technickú podporu a poradenstvo. Podpora a asistencia záručného a pozáručného servisu. Výrobky pre Vás vyberáme podľa týchto krytérií.
Informácie o dodávke:
V pracovných dnoch Vám tovar doručíme do 24 hodín - cez webshop (ak je na sklade).Dostupnosť so stavom zásob je ku dňu :   . Tovar si môžete objednať tu, alebo vyzdvyhnúť v kamennej predajni.:
Zabezpečenie montáže:
Tovar zakúpený Vám zabezpečíme montáž, prípadne poradíme (ak je podmienený inštalácii). Pre informácie a objednanie montáže volajte : 0902/400600 (dotázať sa na montáž)


Dotazy:

Tu si viete produkt poslať ako poznámka na svoju Email-ovú adresu



Hodnotenia

Napísať recenziu

Poznámka: nie je povinné
Najhoršie Velmy dobré



  • Kód produktu: 33315
  • Balenie: ks
  • Dostupnosť: viac ako 20 (informatívne)
  • Cena za jednotku: 0.6
  • Aktualita skladu: 
    2026-02-19

Skladom

  • Cena za balenie:
    0.60€
  • 0,49€ bez DPH


.





Do pozornosti